高度技術を駆使し、経験を生かして設計した構造物を製作架設していくには、CAD製図が重要な役割をはたします。そこには、大量の図面製図、不具合のない図面、施工性のある細部設計等、高度なテクニックやマイスターとしての技術が要求されます。大規模橋梁では大量の図面を描くニーズ、架設計画図のようにノウハウの塊のニーズ、補修設計図のように設計しながら描くニーズ等、様々なフェーズがあります。当社では、これらのニーズに応えるノウハウを保有しています。
新設橋梁 設計図面
中路式バランスドアーチ橋

門型ラーメン 鋼製橋脚

耐震補強図面
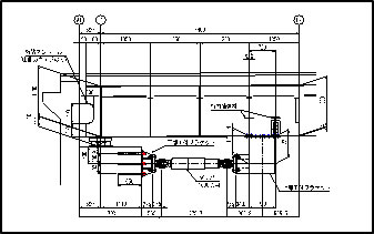
粘性ダンパー設置図

トラス橋のガセット部の補強

架設計画図
トラッククレーンベント工法

ケーブルエレクション斜吊工法

送り出し工法

補修設計図面
点検調査データをまとめ、補修方法を立案します。

